High Temperature Self Aligning Ball Bearing 1309 1310
|
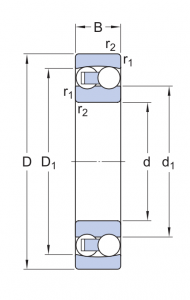
Designations |
Boundary Dimensions |
Basic Load Ratings |
Mass (kg) |
||
|
d |
D |
B |
C0 |
Refer. |
|
|
1309 |
45 |
100 |
25 |
39 |
0.925 |
|
1310 |
50 |
110 |
27 |
43.6 |
1.18 |
For more information , please contact our email : info@cf-bearing.com




