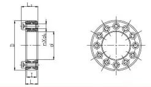
Z2 type locking assembles
Advantages:
1. The Z2 expansion N53SI241SV expansion sleeve is composed of an open-mouth double cone north-south, an open-mouth double cone north-south and two double cone pressing rings.
2. Loosen with the hex socket screw, the flexibility ring does not move axially relative to the hub when loosened, compared with the Z1 type, and vice versa, the pressing force can produce the axial resistance of the Ferras, conveying the payload of the Ferras.
3. In order to facilitate removal, there are two to four divisions for removal in a pressing ring, along the center of the circle.
4. Widely used in packaging, printing, paper making, fasteners and other machines.
|
Boundary Dimensions |
rated load |
pf |
pf1 |
Ma |
W.t |
|||||||
|
d |
D |
I |
L |
L1 |
d1 |
n |
Ft |
Mt |
N/mm2 |
N/mm2 |
M·m |
KG |
| 200 |
260 |
46 |
52 |
68 |
M14 |
30 |
525 |
52.50 |
150 |
115 | 190 |
8.65 |
| 210 |
275 |
50 |
56 |
74 |
M 16 |
24 |
599 |
62.89 |
151 |
115 | 295 |
10.10 |
| 220 |
285 |
50 |
56 |
74 |
M16 |
26 |
620 |
68.00 |
150 |
115 | 295 |
11.22 |
| 240 |
305 |
50 |
56 |
74 |
M16 |
30 |
715 |
85.50 |
160 |
125 | 295 |
12.20 |
| 250 |
315 |
50 |
56 |
74 |
M1 6 |
32 |
768 |
96.00 |
162 |
125 | 295 |
12.70 |
| 260 |
325 |
50 |
56 |
74 |
M16 |
34 |
800 |
104.00 |
165 |
130 | 295 |
13.20 |
| 280 |
355 |
60 |
66 |
86.5 |
M18 |
32 |
915 |
128.00 |
145 |
115 | 405 |
19.20 |
| 300 |
375 |
60 |
66 |
86.5 |
M18 |
36 |
1020 |
153.00 |
150 |
120 | 405 |
20.50 |
| 320 |
405 |
72 |
78 |
100.5 |
M20 |
36 |
1310 |
210.00 |
150 |
120 | 580 |
29.60 |
| 340 |
425 |
72 |
78 |
100.5 |
M20 |
36 |
1310 |
224.00 |
145 |
115 | 580 |
31.10 |
| 360 |
455 |
84 |
90 |
116.0 |
M22 |
36 |
1630 |
294.00 |
145 |
115 | 780 |
42.20 |
| 380 |
475 |
84 |
90 |
116.0 |
M22 |
36 |
1620 |
308.00 |
135 |
110 | 780 |
44.00 |
| 400 |
495 |
84 |
90 |
116.0 |
M22 |
36 |
1610 |
322.00 |
130 |
105 | 780 |
46.00 |
| 420 |
515 |
84 |
90 |
116.0 |
M22 |
40 |
1780 |
374.00 |
135 |
110 | 780 |
50.00 |
| 450 |
555 |
96 |
102 |
130.0 |
M24 |
40 |
2050 |
461.25 |
124 |
100 | 1000 |
65.00 |
| 480 |
585 |
96 |
102 |
130.0 |
M24 |
42 |
2160 |
518.40 |
124 |
100 | 1000 |
71.00 |
| 500 |
605 |
96 |
102 |
130.0 |
M24 |
44 |
2240 |
560.00 |
123 |
100 | 1000 |
72.60 |
| 530 |
40 |
96 |
102 |
130.0 |
M24 |
45 |
2330 |
617.00 |
121 |
100 | 1000 |
83.60 |
|
560 |
670 |
96 |
102 |
130.0 |
M24 |
48 |
2440 |
680.00 |
120 |
100 |
1000 |
85.00 |
|
600 |
710 |
96 |
102 |
130.0 |
M24 |
50 |
2580 |
775.00 |
118 |
100 |
1000 |
91.00 |
|
630 |
740 |
96 |
102 |
130.0 |
M24 |
52 |
2680 |
844.00 |
117 |
105 |
1000 |
94.00 |
|
670 |
780 |
96 |
102 |
130.0 |
M24 |
56 |
2820 |
944.00 |
116 |
100 |
1000 |
101.00 |
|
710 |
820 |
96 |
102 |
130.0 |
M24 |
60 |
2970 |
1054.00 |
115 |
100 |
1000 |
106.00 |
|
750 |
860 |
96 |
102 |
130.0 |
M24 |
62 |
3130 |
1173.00 |
115 |
100 |
1000 |
112.00 |
|
800 |
910 |
96 |
102 |
130.0 |
M24 |
66 |
3260 |
1300.00 |
112 |
100 |
1000 |
118.00 |
|
850 |
960 |
96 |
102 |
130.0 |
M24 |
70 |
3500 |
1487.00 |
113 |
100 |
1000 |
125.00 |
|
900 |
1010 |
96 |
102 |
130.0 |
M24 |
75 |
3680 |
1650.00 |
112 |
100 |
1000 |
132.00 |
|
950 |
1060 |
96 |
102 |
130.0 |
M24 |
80 |
3870 |
1838.00 |
112 |
100 |
1000 |
139.00 |
|
1000 |
1110 |
96 |
102 |
130.0 |
M24 |
82 |
4000 |
2000.00 |
110 |
100 |
1000 |
146.00 |
For more information , please contact our email :info@cf-bearing.com



