High Temperature Deep Groove Ball Bearings 6206-2Z/VA201 6208-2Z/VA208 6209-2Z/VA208
|
Designations |
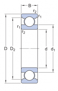
Boundary Dimensions |
Basic Load Ratings |
Mass(kg) |
Maximum operating temperature (°C) |
||
|
d |
D |
B |
C0 |
Refer. |
||
|
6206-2Z/VA201 |
30 |
62 |
16 |
11.2 |
0.207 |
250 |
|
6208-2Z/VA208 |
40 |
80 |
18 |
19 |
0.36 |
350 |
|
6209-2Z/VA208 |
45 |
85 |
19 |
21.6 |
0.406 |
350 |
For more information , please contact our email : info@cf-bearing.com





